Home / Product / Contactors / AC Contactors
JLC1-F AC contactor is suitable for using in the circuits u to the rated voltage 380V AC 50/60Hz, current 800A, for long distance breaking circuit and frequently starting or controlling the motor. It also can be used for the control of distribution circuits of rated current from 115A to 800A.
It conforms to IEC60947-4-1.
| Type | AC-3(A)Rated operational current in AC-3(A) | Max power ratings of 3-phase motors in | Operating frequency (time/ hour) | Electrical lifeAC-3 x104 | Mecha- nical life x104 | ||||||
| category AC-3(kW) | AC-3 | ||||||||||
| 220V 230V | 380V 400V | 415V | 440V | 500V | 660V | 1000V | |||||
| 690V | |||||||||||
| JLC1-F115 | 115 | 30 | 55 | 59 | 59 | 75 | 80 | 65 | 1200 | 120 | 1000 |
| JLC1-F1154 | 115 | 30 | 55 | 59 | 59 | 75 | 80 | 65 | 1200 | 120 | 1000 |
| JLC1-F150 | 150 | 40 | 75 | 80 | 80 | 90 | 100 | 65 | 1200 | 120 | 1000 |
| JLC1-F1504 | 150 | 40 | 75 | 80 | 80 | 90 | 100 | 65 | 1200 | 120 | 1000 |
| JLC1-F185 | 185 | 55 | 90 | 100 | 100 | 110 | 110 | 100 | 600 | 100 | 600 |
| JLC1-F1854 | 185 | 55 | 90 | 100 | 100 | 110 | 110 | 100 | 600 | 100 | 600 |
| JLC1-F225 | 225 | 63 | 110 | 110 | 110 | 130 | 129 | 100 | 600 | 100 | 600 |
| JLC1-F2254 | 225 | 63 | 110 | 110 | 110 | 130 | 129 | 100 | 600 | 100 | 600 |
| JLC1-F265 | 265 | 75 | 132 | 140 | 140 | 160 | 160 | 147 | 600 | 80 | 600 |
| JLC1-F2654 | 265 | 75 | 132 | 140 | 140 | 160 | 160 | 147 | 600 | 80 | 600 |
| JLC1-F330 | 330 | 100 | 160 | 180 | 200 | 200 | 220 | 160 | 600 | 80 | 600 |
| JLC1-F3304 | 330 | 100 | 160 | 180 | 200 | 200 | 220 | 160 | 600 | 80 | 600 |
| JLC1-F400 | 400 | 110 | 200 | 220 | 250 | 257 | 280 | 185 | 600 | 80 | 600 |
| JLC1-F4004 | 400 | 110 | 200 | 220 | 250 | 257 | 280 | 185 | 600 | 80 | 600 |
| JLC1-F500 | 500 | 147 | 250 | 280 | 295 | 355 | 330 | 315 | 600 | 80 | 600 |
| JLC1-F5004 | 500 | 147 | 250 | 280 | 295 | 355 | 335 | 335 | 600 | 80 | 600 |
| JLC1-F630 | 630 | 200 | 335 | 375 | 400 | 400 | 450 | 450 | 600 | 80 | 600 |
| JLC1-F6304 | 630 | 200 | 335 | 375 | 400 | 400 | 450 | 450 | 600 | 80 | 600 |
| JLC1-F780 | 780 | 220 | 400 | 425 | 425 | 450 | 470 | 450 | 600 | 80 | 600 |
| JLC1-F7804 | 780 | 220 | 400 | 425 | 425 | 450 | 475 | 450 | 600 | 80 | 600 |
| JLC1-F800 | 800 | 250 | 415 | 450 | 450 | 450 | 470 | 450 | 600 | 80 | 600 |



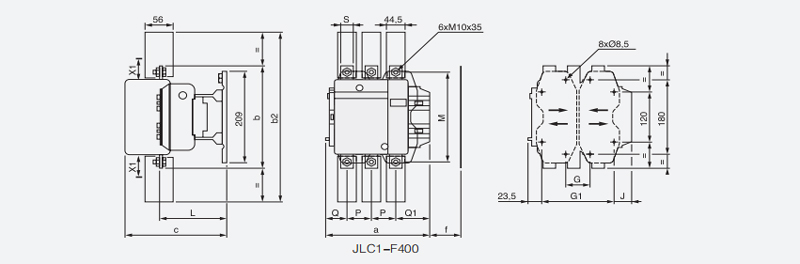
| JLC1- | a | b | b2 | c | f | G* | G min. | G max. | G1 * | G1 min. | G1 max. | J | L | M | P | Q | Q1 | S |
2P | 213 | 206 | 375 | 219 | 119 | 80 | 66 | 102 | 170 | 156 | 192 | 19.5 | 145 | 181 | 48 | 69 | 96 | 25 |
F400 3P | 213 | 206 | 375 | 219 | 119 | 80 | 66 | 102 | 170 | 156 | 192 | 19.5 | 145 | 181 | 48 | 43 | 74 | 25 |
4P | 261 | 206 | 375 | 219 | 119 | 80 | 66 | 150 | 170 | 156 | 240 | 67.5 | 145 | 181 | 48 | 43 | 74 | 25 |
2P | 233 | 238 | 400 | 232 | 141 | 80 | 66 | 120 | 170 | 156 | 210 | 39.5 | 146 | 208 | 55 | 76 | 102 | 30 |
F500 3P | 233 | 238 | 400 | 232 | 141 | 80 | 66 | 120 | 170 | 156 | 210 | 39.5 | 146 | 208 | 55 | 46 | 77 | 30 |
4P | 288 | 238 | 400 | 232 | 141 | 140 | 66 | 175 | 230 | 156 | 265 | 34.5 | 146 | 208 | 55 | 46 | 77 | 30 |

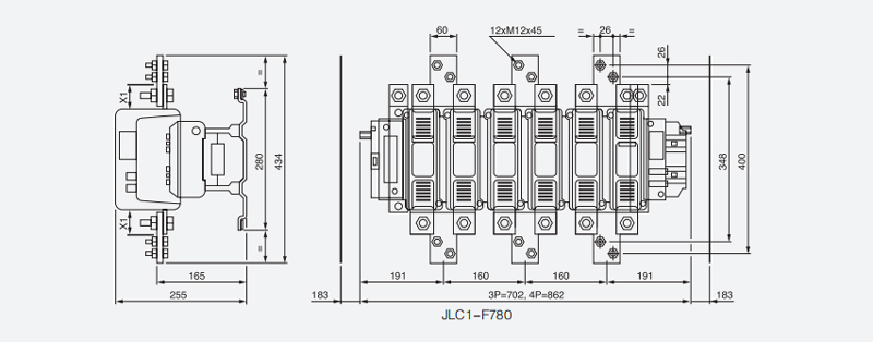
| JLC1-F | a | G | G min. | G max. | J1 | Q | Q1 | |
| F630 | 2P | 309 | 180 | 100 | 195 | 68.5 | 102 | 127 |
| F630,F800 | 3P | 309 | 180 | 100 | 195 | 68.5 | 60 | 89 |
| F630 | 4P | 389 | 240 | 150 | 275 | 68.5 | 60 | 89 |

JLC1-F Bobbin of AC Contactor JLC1-F


We take pride in our customer service and aim to provide 5-star support. If you have any questions about our products, feel free to call or email us.
The company mainly produces AC contactors, motor protectors and thermal relays.All products have passed the CE safety certification, and some have passed the CB certification.